

MOES WiFi 스마트 스위치 설치&사용법
집 밖에서도 스마트폰으로 집 전등을 켜고 끄자!
안녕하세요! 따남입니다 :)
오늘의 포스팅 내용은 [MOES 와이파이 스마트 스위치 설치 및 사용 방법] 입니다.
혹시 늦은 밤 귀갓길에 집 전등을 미리 켜 두고 싶으신 적이나, 자려고 침대에 누웠는데 불을 깜빡하고 끄지 않은 적이 있으신가요? 귀차니즘으로 인해, 누가 대신 불을 켜주거나 꺼줬으면 하는 순간이 한 번쯤은 있으실 것이라 생각합니다.
또는 사무실이나 매장의 전등이나 외부 간판을 원하는 시간에 자동으로 켜지고 꺼지게 할 필요가 있거나, 스위치에 연결된 냉난방기나 각 종 전자기기들을 음성인식 또는 스마트폰 조작을 통해 원격으로 ON/OFF 하고 싶으시다면 오늘 포스팅이 도움이 되실 것이라 생각됩니다 :)
※ WARNING ※
오늘 소개해드리는 내용은 중성선이 없는 경우를 전제로 설명드리며,
대부분 우리나라의 가정에는 중성선이 없으나 경우에 따라 중성선이 있는 경우도 있습니다.
따라서, 스마트 스위치를 구매하시기 전에 내가 설치할 스위치의 배선이 어떻게 되어 있는지를
먼저 확인하여 보시고 제품을 선택하여 구매하시는 것을 권장드립니다 :)
우리 집 스위치에는 중성선이 있을까?
오늘 소개해드릴 제품인 MOES 스마트 스위치는 중성선이 없는 버전의 제품이지만,
사실 우리 집에 스위치에 중성선이 있는지 없는지를 아시는 분들은 많이 있지 않으실 것이라 생각합니다. 물론 저도 이 제품을 설치하기 전까지는 몰랐습니다.
그럼 스마트 스위치를 구매하기에 앞서 바꾸실 스위치에 중성선이 있는지 없는지를 먼저 확인하고 구매를 하셔야 하는데,
일반적으로 우리나라 가정에서 많이 사용하는 물리형 스위치에는 중성선이 없는 경우가 대다수라 하고 하며, 터치식 스위치의 경우에는 중성선이 있는 경우가 종종 있다고 합니다.

대부분 가정에는 중성선이 없다고 하지만 그래도 한 번 실제로 배선이 어떻게 되어 있는지를 확인해보는 것이 좋겠죠?
배선 확인을 위해서는 교체하실 스위치를 뜯어보셔야 하며, 꼭 안전에 유의하셔서 진행하셔야 합니다.
1. 먼저 집 또는 매장에 있는 배전함을 확인하고, 교체할 스위치가 위치한 부분의 전력을 끊어주기 위해 해당 차단기를 내려줍니다.(잘 모르실 경우에는 혹시 모르니 차단기 전체를 내려주세요.)

2. 차단기를 내려준 뒤 교체할 스위치가 작동하지 않는지를 확인하여 주시고, 작동을 안 하면 전력 차단이 된 상태이니 이제 스위치를 분해해주시면 됩니다.
3. 스위치는 보통 스위치 커버와+스위치 본체로 구성되어 있으며, 스위치 커버는 스위치 하단부에 일자 드라이버로 지렛대 원리로 살짝 들추면 탈거가 가능합니다.


4. 스위치 커버를 탈거 후, 스위치 본체를 드라이버를 통해 나사를 풀고 잡아당겨 줍니다. 전선이 꽤나 빡빡한 편이기 때문에 힘을 조금 주어서 스위치를 당겨서 빼주시면 됩니다.


5. 중성선이 존재 여부를 확인하기 전에 가장 중요한 스위치 크기를 확인하셔야 합니다! 기존에 사용 중이던 스위치의 구멍 크기에 새로 설치할 스마트 스위치가 들어갈 수 있는지를 꼭 미리 확인하셔야 나중에 크기가 안 맞아 교체를 못하게 되는 불상사를 방지할 수 있습니다.

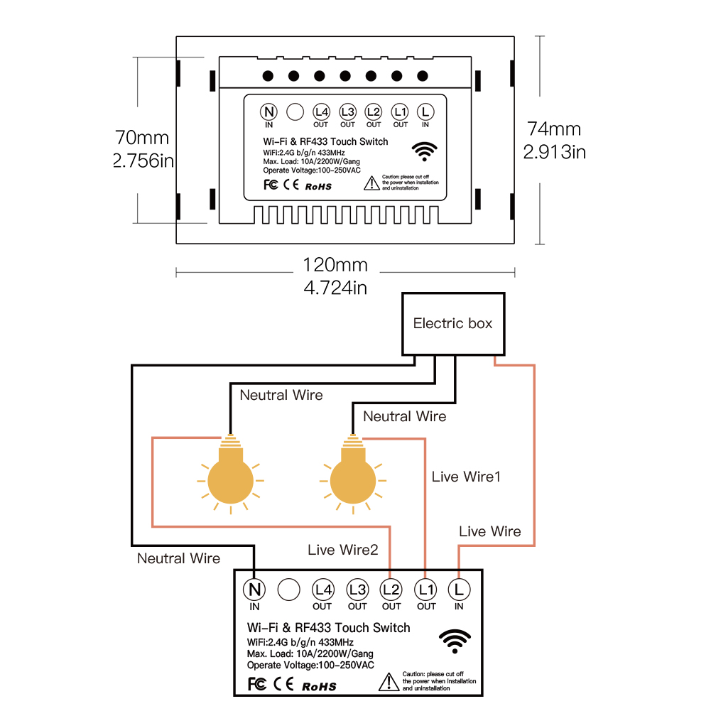
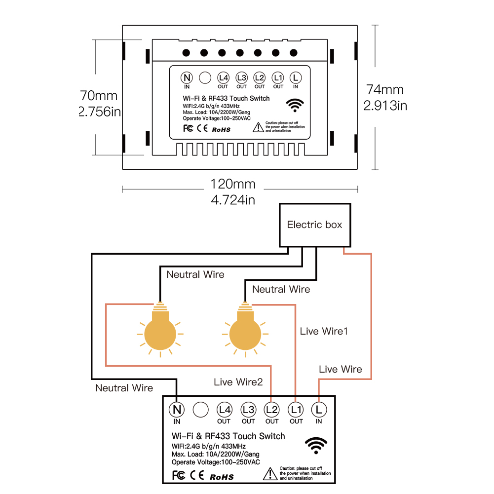
6. 이제 내가 교체할 스위치가 중성선이 있는지 없는지를 확인하여 줍니다. 스위치에 연결된 전선들을 확인하여 주시면 되는데 벽으로부터 빠져나온 전선 중에 공용선과 조명선만 있는지를 확인하시면 됩니다. 공용선(IN) 하나, 그리고 조명선(OUT)은 스위치 버튼 수와 동일(3구 스위치는 조명선이 3개), 그 외 점프선만 있을 경우(점프선은 스위치 내에서만 연결된 선입니다.)엔 중성선이 없는 스위치입니다. 중성선(N)이 있는 경우엔 공용선(IN)과 조명선(OUT), 점프선 외 벽으로 부터 스위치로 연결된 별도의 선이 존재합니다. 아래 이미지를 참조하여 주세요.(모두 중성선이 없는 경우입니다.)

확인 후에 중성선이 없으면 알리익스프레스에서 스마트 스위치를 구매하실 때, No nuetral wire required(중성선 필요 없음)이 표기된 스마트 스위치를 구매하시면 되며, 중성선이 있는 경우에는 중성선이 있는 버전의 스마트 스위치를 구매하시면 됩니다.


위 도면에서 L(IN)은 공용선, L1,L2,L3(OUT)은 조명선, N(IN)은 중성선입니다.
또한 MOES 스마트 스위치 제품에는 점프선이 필요 없습니다.
MOES 스마트 스위치 : UNBOXING



저는 MOES 스마트 스위치 2구를 구매하였으나, 위와 같이 패키지는 3구를 메인으로 사용하는 듯합니다.
뒷 면에 포장된 제품의 실제 스펙이 기재되어 있고(2 gang) 대부분 와이파이에 연결하여 사용하시겠지만, 와이파이 없이도 블루투스를 사용하여서도 조작이 가능한 제품입니다.(WiFi+RF)


MOES 스마트 스위치의 구성품은 본체와 그 외 부품 및 설명서로 이루어져 있고, 스위치 커버에는 비닐이 붙여져 있으니 설치 후 사용하실 때는 제거하시면 됩니다.
그리고 여기서 캐패시터를 설명드려야 하는데 흔히 콘덴서라고도 불리며 스마트 스위치를 설치 후에 만약 스위치와 연결된 조명이 깜빡임이 발생할 경우에 사용하시는 부품이라 생각하시면 됩니다. 특히 전력이 많이 소모하는 LED조명의 경우에 깜빡임 현상이 발생할 확률이 높으며, 이럴 경우 우선 조명에 캐패시터를 연결하여 증상이 해결되는지를 확인해봐야 합니다.

MOES 스마트 스위치는 색상이 총 3가지로 화이트, 블랙, 골드가 있으며, 1구부터 3구까지 선택하여 구매하실 수 있습니다. 또한 스위치 커버의 규격은 통상적인 규격이기 때문에 대부분 호환이 되며, 다만 스위치 본체가 스위치 구멍에 들어가는지는 꼭 확인하고 구매하시길 권해드립니다.

제품 디자인은 대체로 깔끔한 편이나 터치식 스위치이기 때문에 기존 물리형 스위치를 사용하셨던 분들은 초기엔 약간 어색한 느낌이 드실 수 있을 것 같습니다.
또한 스위치의 ON/OFF 상태를 터치 부분의 파란 LED가 켜고 꺼지는 것으로 표시하기 때문에, 스위치에 빛이 잘 비치는 공간이라면 시인성에 조금 떨어지는 편입니다. 반대로 저녁에는 LED 라이트가 잘 보이긴 하나 만약 파란 불빛이 거슬릴 경우엔 APP에서 백라이트 불빛을 꺼주시면 됩니다.(물론 시나리오를 통해 낮에는 백라이트가 켜지고 저녁에는 꺼지게 할 수 도 있습니다.)


스위치 본체의 뒷 면은 점프선이 필요 없는 통합형으로 디자인되어 있고, 금색 나사를 돌려 공용선이나 조명선 등을 쉽게 탈착 가능하도록 되어 있습니다. 여기서 하나 확인하셔야 할 것이, MOES 스마트 스위치는 본체 부분이 스위치의 정가운데 위치하고 있습니다. 제 경우에는 기존의 물리형 스위치의 본체 부분이 한쪽으로 살짝 치우쳐져 있었으나 스위치 구멍이 넓어 설치가 가능하였는데, 이 때문에 구멍의 크기를 꼭 확인하여 설치 가능 여부를 파악하시길 추천드립니다.


MOES 스마트 스위치 : 설치 방법
MOES 스마트 스위치의 설치는 1. 차단기를 내리고-> 2. 기존 제품 탈거 후-> 3. 스마트 스위치를 설치-> 4. 차단기 올려서 작동 여부 확인(+LED 깜빡임 발생 시, 차단기 내리고 조명에 캐패시터(콘덴서) 부착) 순으로 진행하시면 됩니다.
기존 제품을 탈거하실 때, 전선을 빼기 전에 전선이 어떻게 꼽혀 있는지 사진으로 남겨두시면 후에 스마트 스위치에 전선을 연결할 때 참고하여 작업하시면 편리합니다.
만약 스마트 스위치로 교체 후 차단기를 올렸음에도 스위치가 작동하지 않을 경우에는 스위치 전선을 제대로 설치하지 않은 경우이니 전선 체결 부분을 다시 확인하여 주시면 됩니다.


중성선이 없는 MOES 스마트 스위치의 설치방법은,
1. 먼저 공용선(전원선)을 찾아 스위치 본체의 L(IN) 부분에 연결하여 주셔야 하는데, 보통은 빨간색이 공용선일 경우가 많습니다.(기존 스위치에 설치된 사진을 참조하여 찾아주시면 됩니다.)
2. 연결 방법은 본체의 라인별로 있는 금색 나사를 돌려서 빼준 상태에서, 전선을 꾹 눌러 그 옆 구멍에 꼽고 다시 나사를 돌려 고정시켜 주시면 됩니다.
3. 공용선을 연결하였으면, 이제 각 조명선을 찾아서 순서에 맞게 연결하여 주시면 되며, 스위치 터치패널의 맨 윗부분부터 L1, L2, L3 순으로 연결하여 주시면 됩니다.(기존 스위치에 버튼별로 연결된 조명선을 참조하여서 찾아주시면 됩니다.)
위의 사진은 MOES 스마트 스위치 2구를 설치한 모습이며, 저 상태에서 다시 차단기를 올려서 스위치가 작동하는지 확인하여 주시면 됩니다. 만약 작동하지 않을 경우 다시 차단기를 내리고 전선의 위치를 바꾸거나 꾹 눌러서 체결하여 주세요.

터치를 했을 때 스위치의 LED가 파란 빛을 나타내면 정상적으로 전원은 정상적으로 공급이 된다는 것이며, 버튼 순서와 조명 깜빡임이 발생하는지 최종적으로 확인하여 주시면 됩니다.
스위치가 정상 작동하면 나사를 이용하여 본체를 구멍에 단단히 체결하여 주시고, 이때 굳이 MOES 스마트 스위치를 구매하실 때 동봉된 나사를 사용하실 필요가 없으니 기존 나사로 고정이 가능하면 기존 나사를 사용하여 고정하시면 됩니다.(MOES 스마트 스위치에 동봉된 나사의 길이 짧을 수도 있기 때문)

스위치 본체를 나사로 고정한 뒤 마지막으로 스위치 커버를 끼우면 설치가 완료되며, 스위치 커버는 윗부분을 먼저 끼우고 아랫부분을 끼우는 식으로 "딱" 소리가 나게끔 껴주시면 됩니다.
MOES 스마트 스위치 : APP 설치 및 사용 방법
MOES 스마트 스위치는 스마트폰 APP을 통해서 다양한 조작과 설정들이 가능하기 때문에 스마트폰에 APP을 설치하여야 온전히 사용이 가능합니다.

MOES 스마트 스위치를 사용할 수 있는 APP은 아마존 알렉사, 구글 어시스턴트, 스마트 라이프, 투야, 얀덱스 등이 있으며, 제 생각에 우리나라에서는 보통 구글 어시스턴트 또는 스마트 라이프나 투야를 사용하는 분들이 많으실 것 같습니다.
아마 알리익스프레스에서 구매하신 ioT 제품들을 기존에 사용하시던 분들은 스마트라이프나 투야 등이 크게 낯설지 않으실 것 같고, 가급적 한 개의 APP에 통합하여 사용하시는 게 여러모로 편리하오니 참조하여 주세요.
저는 SmartLife로 연결하여 설정을 하였고 아래 링크를 참조하여 APP을 다운로드하여주시면 됩니다.
안드로이드 구글 플레이 : SmartLife
Smart Life - Smart Living - Google Play 앱
똑똑한 생활
play.google.com
IOS 앱스토어 : SmartLife
Smart Life - Smart Living
Smart Life is a smart device management App for you to control and manage your intelligent home products easier and to live smarter. Smart Life has integrated with HealthKit. It allows you to seamlessly connect your health records using the body fat sca
apps.apple.com

SmartLife APP을 실행하신 뒤에 로그인을 하여 주시고, 우측 상단의 장치 추가를 눌러 스위치를 연결하여 주시면 됩니다.
MOES 스마트 스위치는 와이파이 연결의 경우 2.4Ghz만 지원을 하니 5Ghz로는 연결하실 수 없습니다.
와이파이로 연결하셨을 경우, 스위치가 와이파이에 연결되어 있는 한 언제 어디서든 스마트폰으로 스위치의 원격 제어가 가능하며, 구글 어시스턴트, 삼성 SmartThings, 애플 홈킷 등 보이스 제어가 가능한 APP과 함께 음성으로도 통제가 가능합니다.


SmartLife APP을 활용한 방법은 너무 많아 모두 설명드리기 어렵지만 시나리오 기능으로 특정 조건에 맞춰서 스위치를 제어하거나 내가 설정한 스위치들을 가족과 공유하여 사용할 수도 있으니 APP에서 다양한 활용방법을 찾아보시길 추천드립니다 :)
이번에 구매한 MOES 스마트 스위치 설치는 사실 전기 배선에 아무런 지식도 없는 제게는 다소 찾아보고 확인해볼 것이 많았던 작업이었습니다. 물론 지나고 나니 별게 아니었지만, 중성선의 존재와 해외 제품이기 때문에 발생할 수 있는 규격 문제 부분 등 설치 시 변수가 발생할 수 있으니 꼭 많이 알아보시고 구매하시길 추천드립니다 :)
기존에도 홈 CCTV나 리모컨 허브 등 몇 가지 ioT 제품들을 사용하면서 만족도가 상당히 높았는데, 이번에 MOES 스마트 스위치도 약 3개월 간 사용해본 결과 역시 삶의 질을 향상해주는 괜찮은 제품이었습니다. 가격도 약 2만 원 중반대로 알리익스프레스에서 구매할 수 있으니 생각 있으신 분들은 도전해보시길 바랍니다!
그럼 다음에도 더 유익한 내용으로 찾아뵙도록 하겠습니다.
감사합니다.
따남드림
'Product' 카테고리의 다른 글
| 팝월렛 플러스 맥세이프(POPWALLET+ For Magsafe) 카드지갑 개봉기 및 리뷰 (0) | 2022.02.16 |
|---|---|
| 아이폰13 프로 맥스 맥세이프 카드지갑 & 케이스 추천 리뷰_링케 퓨전 마그네틱 맥세이프 케이스/신지모루 M 밴드그립 (0) | 2021.11.28 |
| 고독스 ML60 리뷰 및 사용 방법, 매뉴얼 다운로드 (0) | 2021.05.31 |